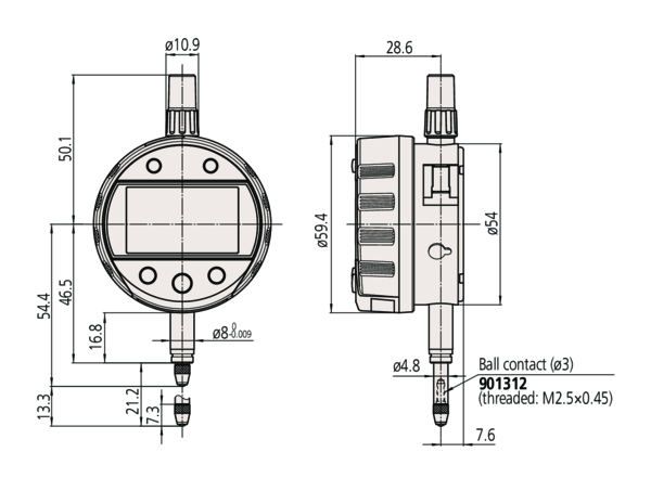
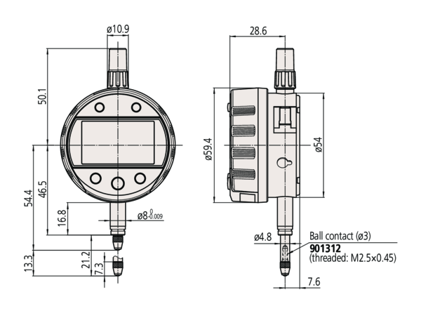
This indicator is designed for inside diameter measurement applications on bore gauges
It offers the following benefits:
- Minimum value holding function that allows you to easily detect a hole diameter
- Analogue bar graph in the display (12 different scales switchable)
- The analogue bar graph enhances usability by adding a dial gauge “feel” to digital measurement
- GO/±NG tolerance judgement function
- A fast measurement frequency mode(detection cycle 20ms or 50times/s) is selectable to measure in the peak detection mode more reliably
- Easy indicator setup via a setup menu
- A USB interface box can be used to set up the indicator from PC via dedicated software