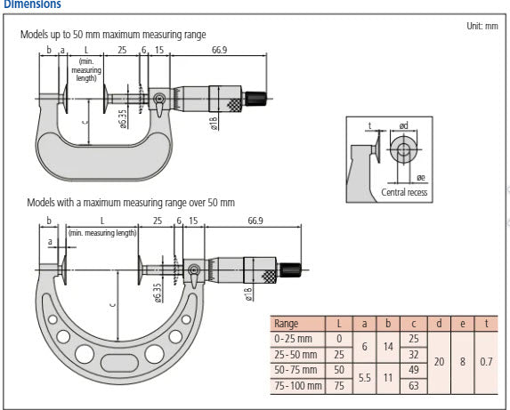
A Mitutoyo non-digital micrometer provided with disc-ended spindle and anvil to enable measurement of shrouded features, such as gear teeth. A ratchet stop guarantees repeatable measurement.
Measurable Module 0.5-6
SS - Product Addons
Select product(s) to see addons appear.
This message only appears in theme editor.
Related Products
Recently viewed
Satisfied or refunded
If your not fully satisfied with your purchase return the item with in 14 days for a full refund (Subject to Terms & Conditions)
Customer Support
Contact our customer support team via email or call our hotline number