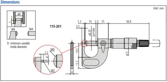
Mitutoyo Digital Tube Micrometer. Spherical. Anvil/Spindle Inch/Metric, 25-50mm/1-2", IP65 395-372-30

MitutoyoSKU: 395-372-30

Price:
Sale price€491.00 Regular price€654.22

Description

Related Products

Recently viewed