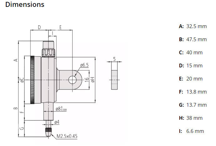
Dial Gauge, Lug Back, ISO Type One Revolution, Shock- & Dustproof, 1mm, 0,01mm 1929A-62

MitutoyoSKU: 1929A-62

Price:
Sale price€99.00 Regular price€131.33

Description

Related Products

Recently viewed