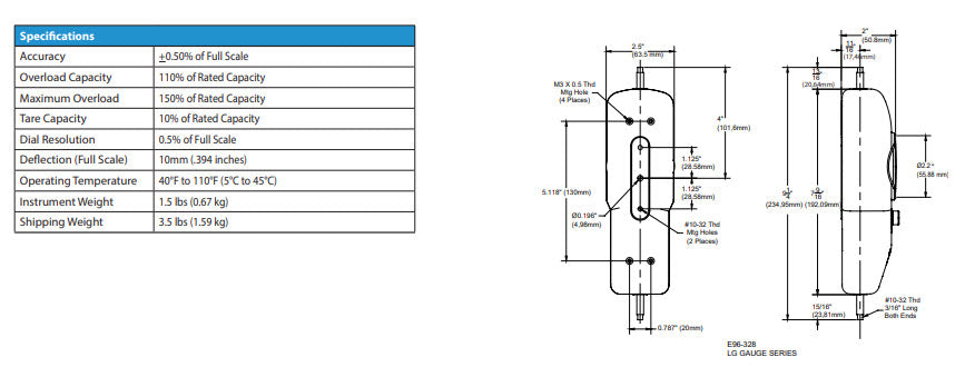
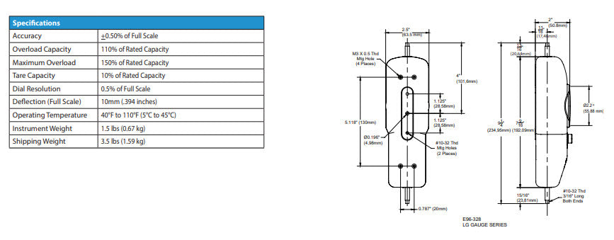
Chatillon LG-50N, Mechanical Force Gauge : 50 x 0.25 N : #10-32M

ChatillonSKU: LG-50N

Price:
Sale price€938.00

Description

Related Products

Recently viewed