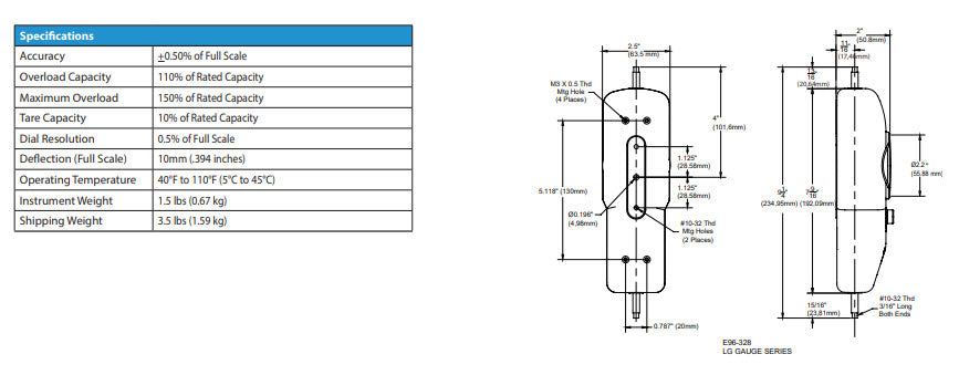
Chatillon LG-50KG, Mechanical Force Gauge : 50 x 0.25 kgf : #10-32M

ChatillonSKU: LG-50KG

Price:
Sale price€938.00

Description

Related Products

Recently viewed