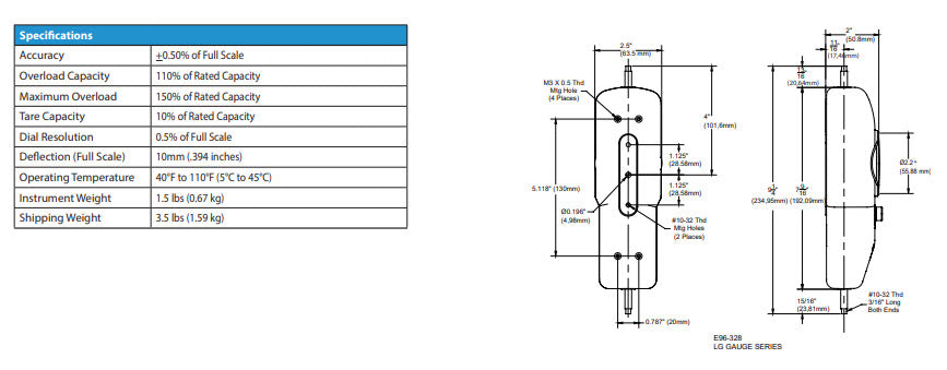
Chatillon LG-30N, Mechanical Force Gauge : 30 x 0.15 N : #10-32M

ChatillonSKU: LG-30N

Price:
Sale price€938.00

Description

Related Products

Recently viewed