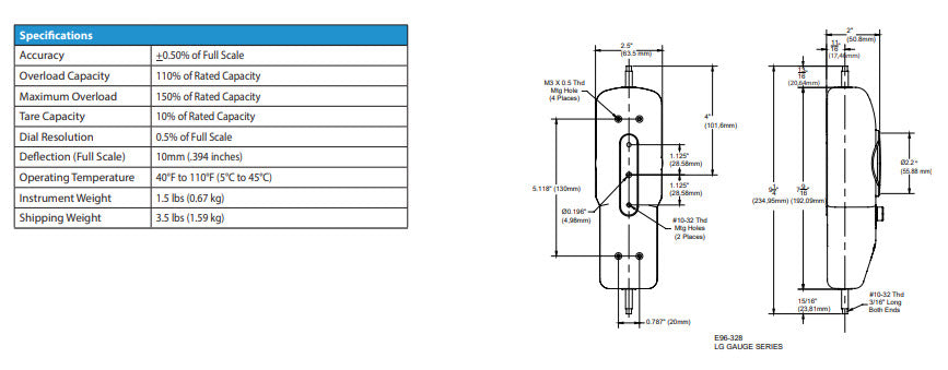
Chatillon LG-2KG, Mechanical Force Gauge : 2 x 0.01 kgf : #10-32M

ChatillonSKU: LG-2KG

Price:
Sale price€938.00

Description

Related Products

Recently viewed