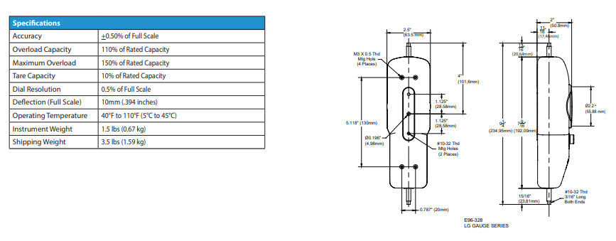
Chatillon LG-20N, Mechanical Force Gauge : 20 x 0.10 N : #10-32M

ChatillonSKU: LG-20N

Price:
Sale price€938.00

Description

Related Products

Recently viewed