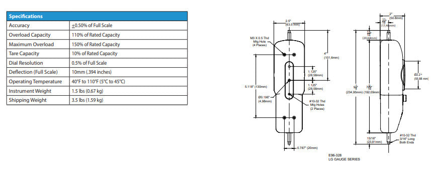
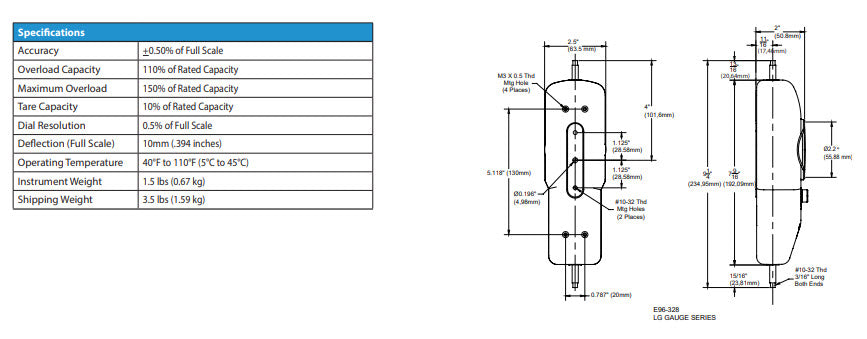
Chatillon LG-1KG, Mechanical Force Gauge : 1 x 0.005 kgf : #10-32M

ChatillonSKU: LG-1KG

Price:
Sale price€938.00

Description

Related Products

Recently viewed