Ideal for a wide range of force testing applications
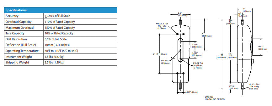
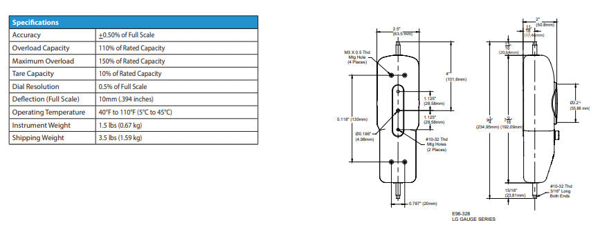
LG series push pull gauges feature a large 2.25" dial for improved resolution and readability, peak hold function, ergonomic shape, and improved accuracy of +/-0.5% of full scale
The LG series force gauges are an excellent, economical solution for tensile or compression testing
Accuracy ±1% of full scale
Tare capacity 10% of full scale in lb model
Full scale deflection 0.1"
SS - Product Addons
Select product(s) to see addons appear.
This message only appears in theme editor.
Related Products
Recently viewed
Satisfied or refunded
If your not fully satisfied with your purchase return the item with in 14 days for a full refund (Subject to Terms & Conditions)
Customer Support
Contact our customer support team via email or call our hotline number