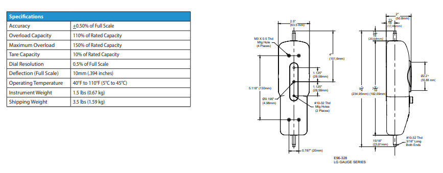
Chatillon LG-080, Mechanical Force Gauge : 80 x 0.4 ozf : #10-32M

ChatillonSKU: LG-080

Price:
Sale price€938.00

Description

Related Products

Recently viewed