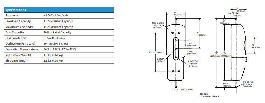
Chatillon LG-030, Mechanical Force Gauge : 30 x 0.15 lbf : #10-32M

ChatillonSKU: LG-030

Price:
Sale price€938.00

Description

Related Products

Recently viewed