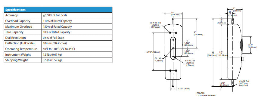
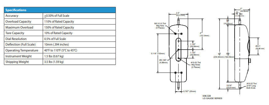
Chatillon LG-010, Mechanical Force Gauge : 10 x 0.05 lbf : #10-32M

ChatillonSKU: LG-010

Price:
Sale price€938.00

Description

Related Products

Recently viewed