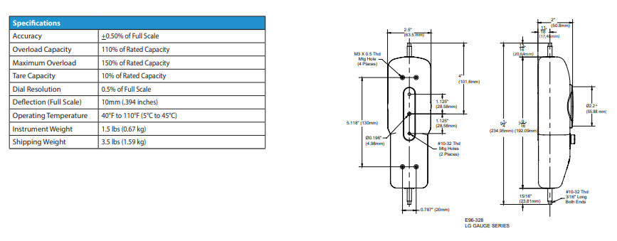
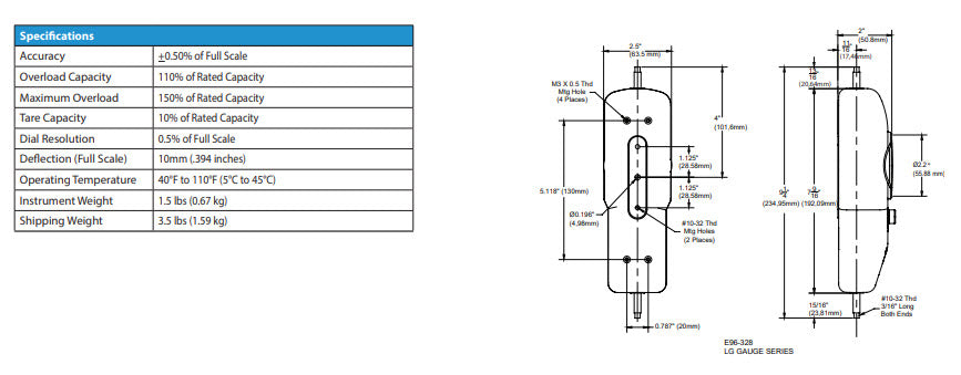
Chatillon LG-005, Mechanical Force Gauge : 5 x 0.025 lbf : #10-32M

ChatillonSKU: LG-005

Price:
Sale price€938.00

Description

Related Products

Recently viewed