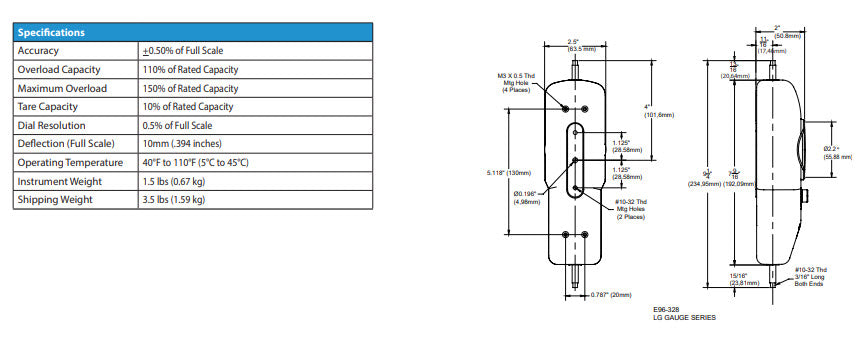
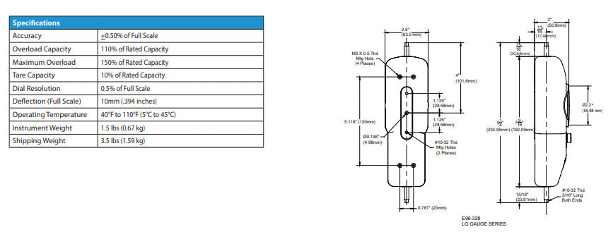
Chatillon LG-002, Mechanical Force Gauge 2 x 0.01 lbf : #10-32M

ChatillonSKU: LG-002

Price:
Sale price€938.00

Description

Related Products

Recently viewed