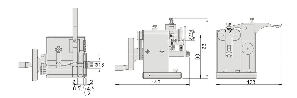
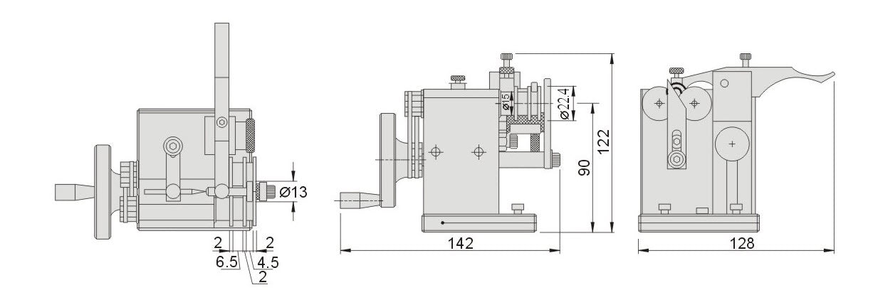
► PGAS can be applied on surface grinder and automatically find concentricity for cylindrical grinding from Ø 0.5 to Ø 10, for longer workpiece job, refer to 55441 PGCF model. ► For measuring concentricity purpose, PGAS can measure from Ø 0.5 to Ø 25mm with accuracy 0.003mm.
SS - Product Addons
Select product(s) to see addons appear.
This message only appears in theme editor.
Related Products
Recently viewed
Satisfied or refunded
If your not fully satisfied with your purchase return the item with in 14 days for a full refund (Subject to Terms & Conditions)
Customer Support
Contact our customer support team via email or call our hotline number