Mitutoyo Surface Roughness Low Force Deep Groove Detector
The Standard Detector for the Mitutoyo Surface Roughness Tester models SJ-210 & SJ-310 has a measuring tip that is about 2.4mm tall.
To be able to measure the surface roughness of a groove that is taller than 2.4mm, Mitutoyo recommends using the Deep Groove Detector for the Mitutoyo Surtest models SJ-210 & SJ-310.
The Mitutoyo Surface Roughness Tester models SJ-210 & SJ-310 are both available in 2 different models, the Standard Force model and the Low Force model.
- The Standard Force model uses 4 mN measuring force during the measurement.
- The Low Force model uses 0.75 mN measuring force during the measurement.
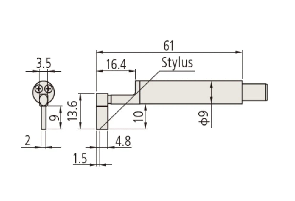
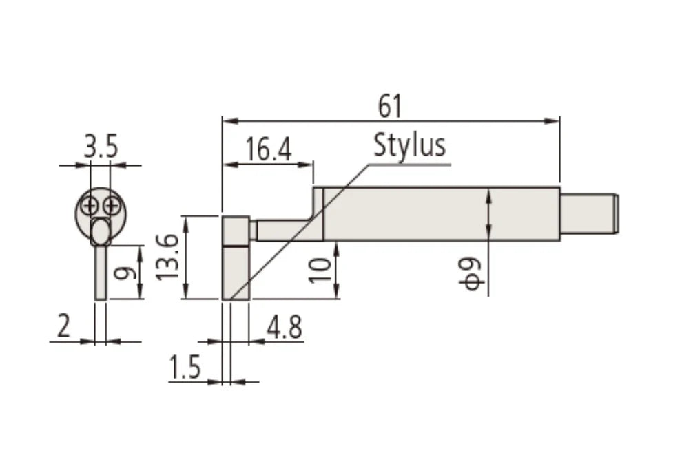
This Deep Groove Detector is designed to be used with the Low Force models of the SJ-210 & SJ310. It has a measuring tip that is only 2mm wide and 10mm tall, allowing you to measure the surface roughness of deep and skinny grooves.
Features include...
- Deep Groove Detector for Mitutoyo Surftest Models...
- 0.75mN Measuring Force
- Stylus Profile: 2?¬mR
- 60° Tip Angle
- 0.39" / 10mm Deep Stylus
- 0.08" / 2mm Wide Stylus